Samozavírací pant pro křídlové dveře, výška 100 mm, nerezový, cena za pár
Kód: E1-P103-100
Rychlost doručení
Doručení ve většině případech do 24hod. s cenou přepravy již od 94Kč.

Výjimečná prodloužená záruka
Naše kvalitní služby a vybrané produkty s prodlouženou zárukou.
Detailní popis produktu
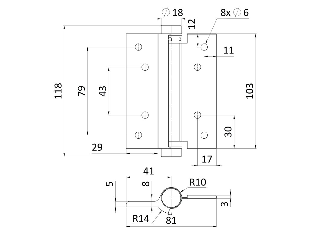
Samozavírací pant o výšce 100 mm je určený pro křídlové dveře a dodává se jako pár. Díky integrovanému mechanismu umožňuje automatické zavírání dveří, přičemž předpětí pružiny i síla dovírání jsou nastavitelné, takže si můžete přizpůsobit rychlost i tlak podle potřeby.
Pant je vyroben z nerezu, což zajišťuje dlouhou životnost a odolnost vůči běžnému opotřebení. Upozornění: čep je železný bez antikorozní úpravy, proto není vhodný pro venkovní použití ani do trvale vlhkého prostředí.
Technické parametry
-
Typ: samozavírací pant pro křídlové dveře
-
Výška: 100 mm
-
Materiál těla: nerezová ocel
-
Čep: železný (bez antikorozní úpravy, nevhodné pro venkovní použití)
-
Nastavení: regulace předpětí pružiny a síly zavírání
Doplňkové parametry
| Kategorie: | Závěsy samozavírací |
|---|---|
| Hmotnost: | 0.6 kg |
| Kusov v balení: | 0 Ks |
Diskuze
Buďte první, kdo napíše příspěvek k této položce.
