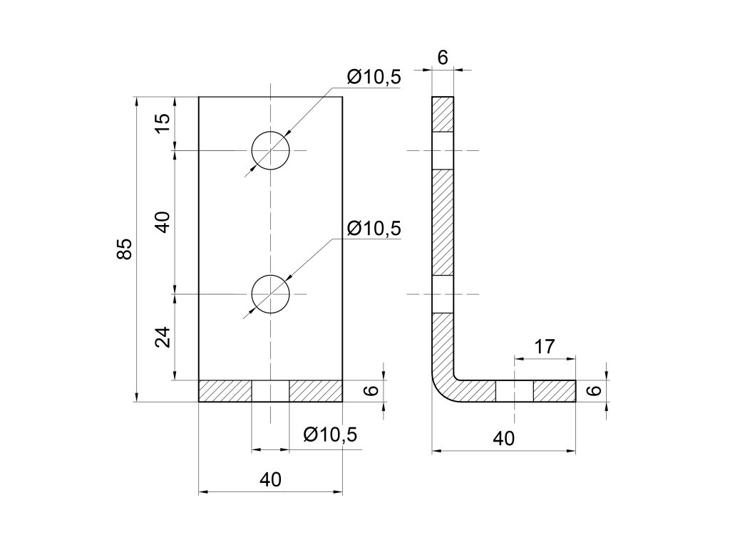
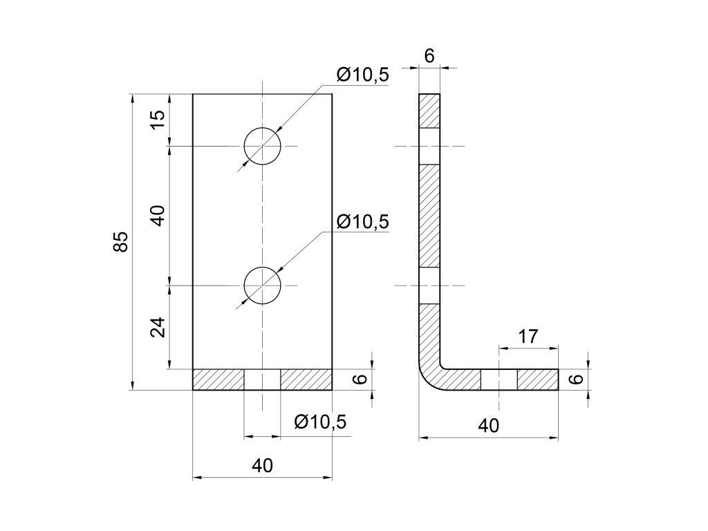
Montážní úhelník 38-90° pro profil 41x21 a 41x41
Kód: MU-4
Rychlost doručení
Doručení ve většině případech do 24hod. s cenou přepravy již od 94Kč.

Výjimečná prodloužená záruka
Naše kvalitní služby a vybrané produkty s prodlouženou zárukou.
Detailní popis produktu
Tento montážní úhelník slouží ke spojování montážních nosníků a konzolí v úhlu 38-90°. Úhelník se spojuje s nosníkem nebo konzolou pomocí metrického šroubu, podložky a jezdce.Vlastnosti:
Univerzální použití pro různé typy nosníků a konzolí
Možnost spojování v úhlu 38-90°
Pevná a odolná konstrukce
Vyrobeno z kvalitních materiálů
Dlouhá životnost
Použití:
Montážní úhelníky se používají v různých průmyslových odvětvích, včetně:
Instalace potrubí
Elektrické instalace
Montáž vzduchotechniky
Uchycení strojů a zařízení
A mnoho dalších
Doplňkové parametry
| Kategorie: | Spojovací materiál |
|---|---|
| Hmotnost: | 0.28 kg |
| Kusov v balení: | 0 Ks |
Diskuze
Buďte první, kdo napíše příspěvek k této položce.
