Pant M16 navařovací, otevíratelný 180°, nastavitelný 3D, pozinkovaný
Kód: W80/M16
Rychlost doručení
Doručení ve většině případech do 24hod. s cenou přepravy již od 94Kč.

Výjimečná prodloužená záruka
Naše kvalitní služby a vybrané produkty s prodlouženou zárukou.
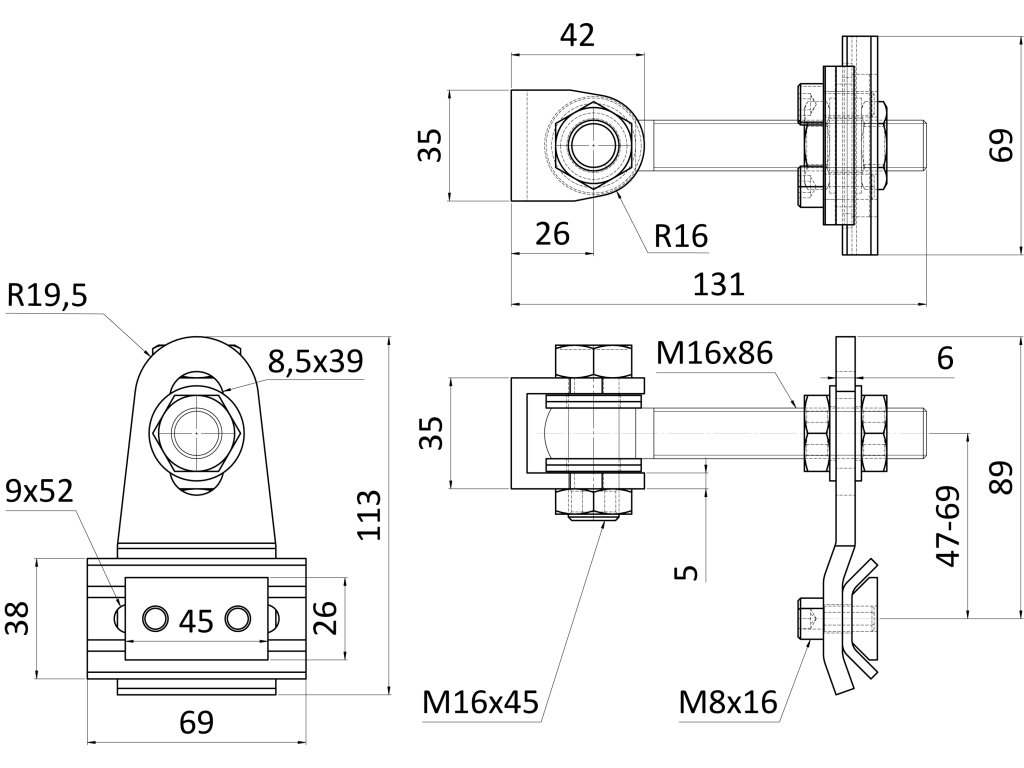
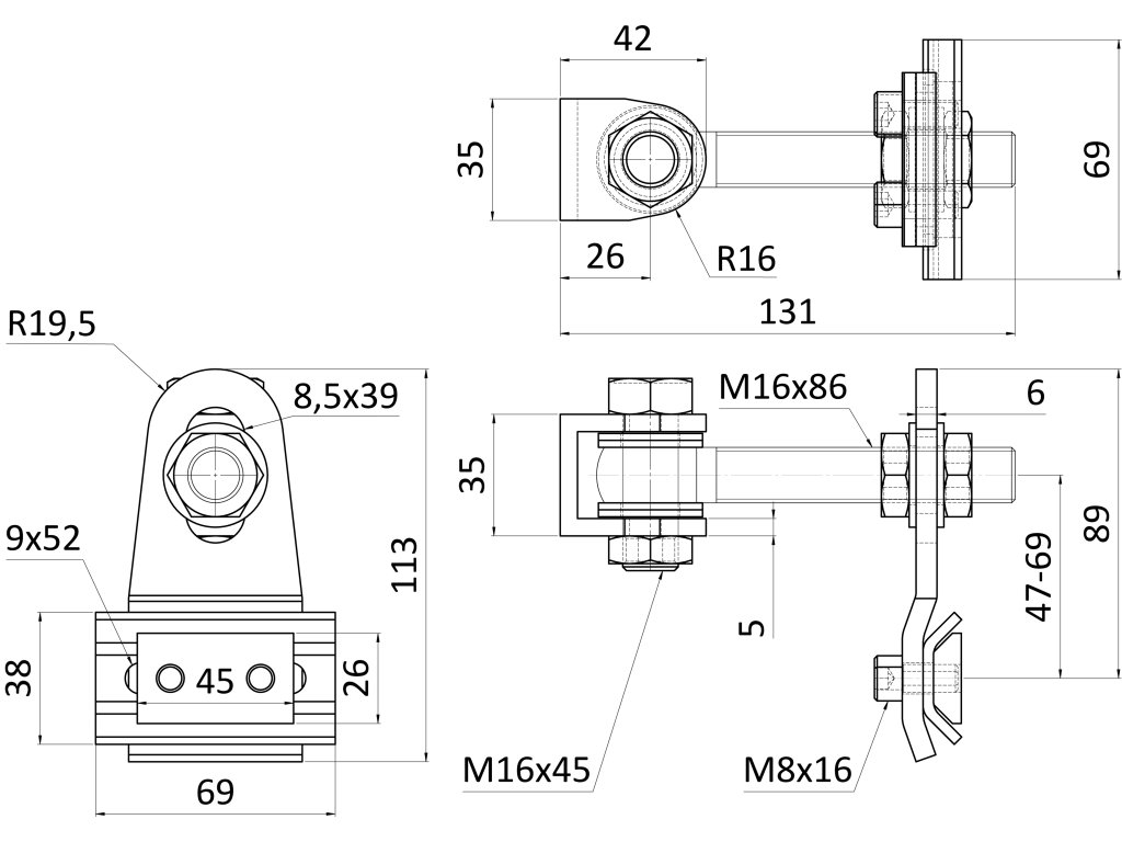
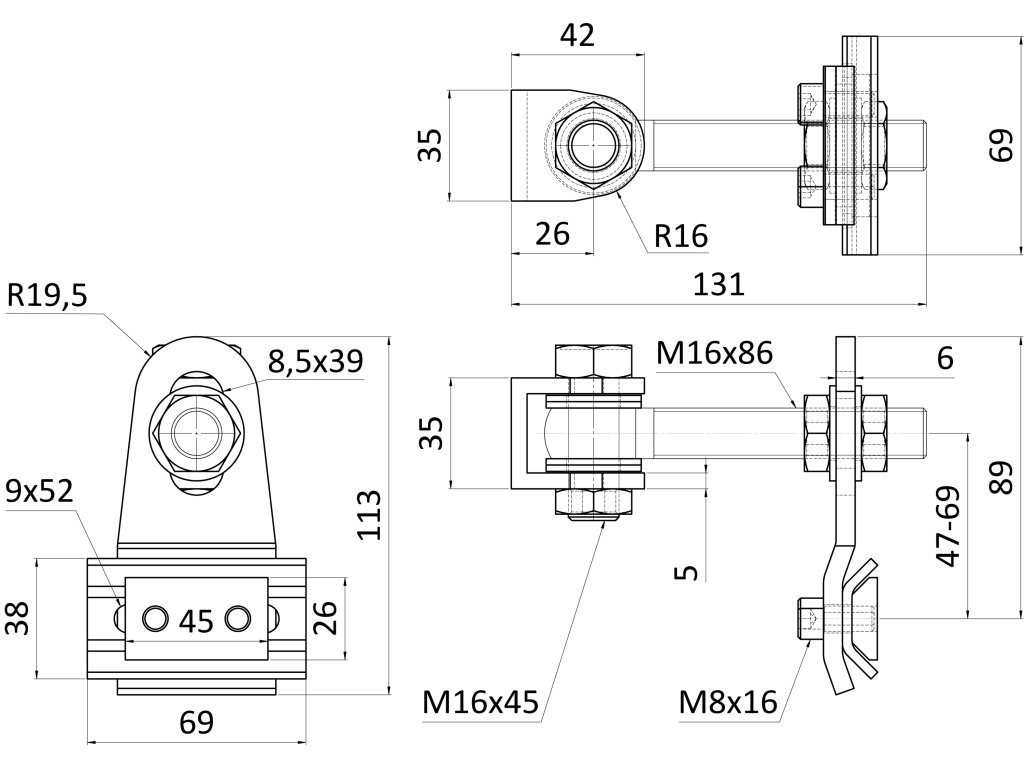
Detailní popis produktu
Technická specifikace- povrchová úprava: pozinkovaná ocel
- použití pro křídlové brány
- otvíratelný do 180°
- nastavitelný v osi X, Y, Z
- maximální povolené zatížení v tahu 10000 N/pant
Doplňkové parametry
| Kategorie: | Nastavitelné panty |
|---|---|
| Hmotnost: | 0.83 kg |
| Kusov v balení: | 0 Ks |
Diskuze
Buďte první, kdo napíše příspěvek k této položce.
